die beim Headamp verwendete Platine ist bereits für die Linestufe ausgelegt.
Lediglich die Bestückung ist hier etwas anders. Diesmal verwenden wir die Type 6S51N-V.
Meine Version ist seit 2019 im Dauerbetrieb.
Ebenfalls identisch ist das Netzteil mit einer kleinen Anpassung.
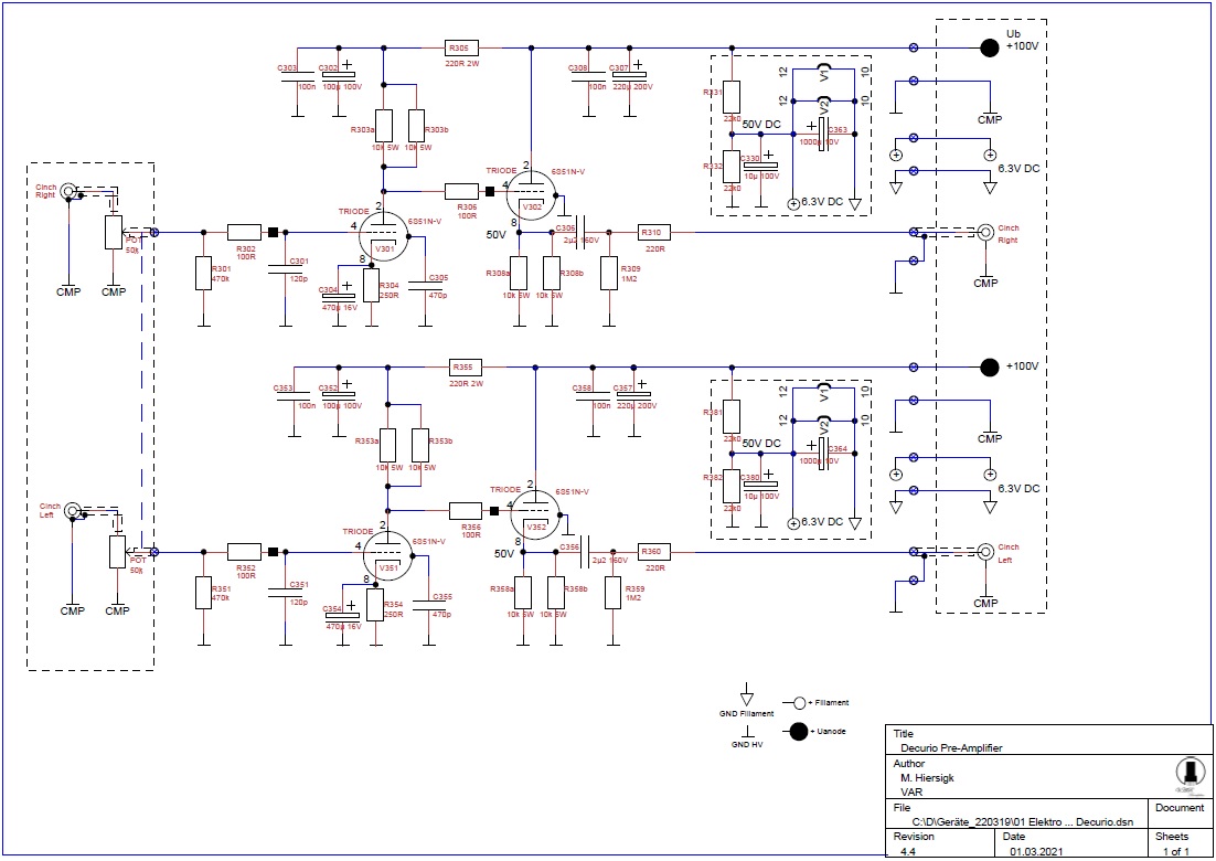
Das sieht dann schaltungstechnisch so aus:

Die resultierende Verstärkung ist relativ hoch, im praktischen Gebrauch ist davon nicht so viel zu merken.
Vorteil, wir können identische Bauteile des Headamps verwenden.
tbc