Kopfhörerverstärker mit 6N6P in SRPP
Moderatoren: Moderatorenteam, mb-de, frido_
Re: Kopfhörerverstärker mit 6N6P in SRPP
Hallo, welches Gehäuse kann man denn empfehlen? Martin, würdest du mir auch per Email die Daten zusenden. Tipps für Bauteile etc. nehme ich dankend an.
Gruß Marc.
PS: Allen ein frohes neues Jahr!
Gruß Marc.
PS: Allen ein frohes neues Jahr!
LG
Marc
Marc
- Erzkanzler
- Graue Eminenz
- Beiträge: 9889
- Registriert: Do 14. Okt 2004, 15:40
- Wohnort: Düsseldorf
Re: Kopfhörerverstärker mit 6N6P in SRPP
Hallo Marc,
Guido und ich haben jetzt dieses genommen:
http://www.ebay.de/itm/Alu-Universal-Ge ... 861621993?
Dann aber die Platine quer, dafür hab ich ein geändertes Layout. Und der Trafo kommt oben hinten auf den Deckel, für die Frontplatte und den endgültigen Deckel mach ich einen Entwurf für Schaeffer zur Gravur und Fräsung.
Trafos frag ich Morgen an, wenn die wieder auf haben.
LG
Martin
Guido und ich haben jetzt dieses genommen:
http://www.ebay.de/itm/Alu-Universal-Ge ... 861621993?
Dann aber die Platine quer, dafür hab ich ein geändertes Layout. Und der Trafo kommt oben hinten auf den Deckel, für die Frontplatte und den endgültigen Deckel mach ich einen Entwurf für Schaeffer zur Gravur und Fräsung.
Trafos frag ich Morgen an, wenn die wieder auf haben.
LG
Martin
If music be the food of love, play on. (William Shakespeare)
Re: Kopfhörerverstärker mit 6N6P in SRPP
Hallo, dann wird das ja ein überschaubares Projekt. Ich hoffe das ihr dem kleinen Marc etwas behilflich seid. Dann warte ich auf News und bin definitiv dabei.
LG
Marc
Marc
- Erzkanzler
- Graue Eminenz
- Beiträge: 9889
- Registriert: Do 14. Okt 2004, 15:40
- Wohnort: Düsseldorf
Re: Kopfhörerverstärker mit 6N6P in SRPP
Dem kleinen Marc helfen...
Na klar. Ist eh alles dokumentiert.
LG
Martin
LG
Martin
If music be the food of love, play on. (William Shakespeare)
- Erzkanzler
- Graue Eminenz
- Beiträge: 9889
- Registriert: Do 14. Okt 2004, 15:40
- Wohnort: Düsseldorf
Re: Kopfhörerverstärker mit 6N6P in SRPP
Moin,
so es gibt jetzt 2 verschieden Layouts für beide Platinen einmal das bereits vorgestellte und einmal ein angepasstes für den Quereinbau in oben verlinktes Gehäuse. Ich werde die alte NT-Platine nochmal anpassen und die beiden Widerstände und den Elko für's Hochlegen der Heizspannung einbauen. Dann sollte alles passen für den Nachbau.
Bei der Querversion kann der Heizspannungsregler zwecks Kühlung direkt an das Gehäuse geschraubt werden.
Projektbeschreibung folgt noch.
LG
Martin
so es gibt jetzt 2 verschieden Layouts für beide Platinen einmal das bereits vorgestellte und einmal ein angepasstes für den Quereinbau in oben verlinktes Gehäuse. Ich werde die alte NT-Platine nochmal anpassen und die beiden Widerstände und den Elko für's Hochlegen der Heizspannung einbauen. Dann sollte alles passen für den Nachbau.
Bei der Querversion kann der Heizspannungsregler zwecks Kühlung direkt an das Gehäuse geschraubt werden.
Projektbeschreibung folgt noch.
LG
Martin
If music be the food of love, play on. (William Shakespeare)
Re: Kopfhörerverstärker mit 6N6P in SRPP
Hallo Martin,
Hauptsache es wird gut. Es kommt nicht auf ein Paar Tage an....
Danke für die Info
Hauptsache es wird gut. Es kommt nicht auf ein Paar Tage an....
Danke für die Info
LG
Marc
Marc
- Thargor
- Inventar

- Beiträge: 6208
- Registriert: Fr 3. Dez 2004, 23:44
- Wohnort: Kleines Kaff bei Hamburch
Re: Kopfhörerverstärker mit 6N6P in SRPP
Moin!
Mittlerweile sind alle Teile angekommen. Nur die Röhren muss ich noch besorgen, werde in der Woche mal mit dem Teil anfangen ^^.
Viele Grüße!
Mittlerweile sind alle Teile angekommen. Nur die Röhren muss ich noch besorgen, werde in der Woche mal mit dem Teil anfangen ^^.
Viele Grüße!
- Thargor
- Inventar

- Beiträge: 6208
- Registriert: Fr 3. Dez 2004, 23:44
- Wohnort: Kleines Kaff bei Hamburch
Re: Kopfhörerverstärker mit 6N6P in SRPP
Alter Mann ist kein D-Zug. Meine Projekte laufen doch immer 18 Monate + .... Elefentenschwangerschaft eben!
- Thargor
- Inventar

- Beiträge: 6208
- Registriert: Fr 3. Dez 2004, 23:44
- Wohnort: Kleines Kaff bei Hamburch
Re: Kopfhörerverstärker mit 6N6P in SRPP
OK, etwas weiter.

Röhrensockel sitzen, Kondensatoren auch. Jetzt fahr ich erstmal ein paar Tage weg.

Röhrensockel sitzen, Kondensatoren auch. Jetzt fahr ich erstmal ein paar Tage weg.
Re: Kopfhörerverstärker mit 6N6P in SRPP
wasn das hier... bitte zuerst die niedrigen Bauteile bestücken 
_____________________________
wo hast du denn diese schmucke Röhrensockel her ?
_____________________________
wo hast du denn diese schmucke Röhrensockel her ?
- Thargor
- Inventar

- Beiträge: 6208
- Registriert: Fr 3. Dez 2004, 23:44
- Wohnort: Kleines Kaff bei Hamburch
Re: Kopfhörerverstärker mit 6N6P in SRPP
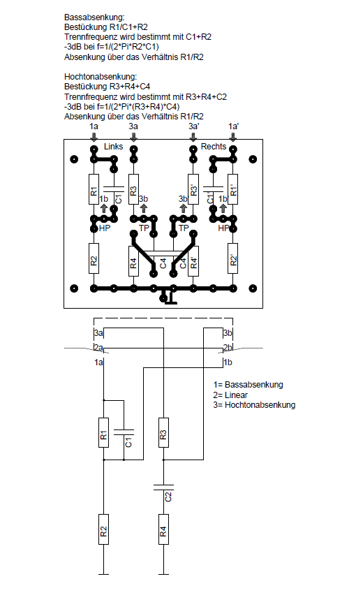
@Martin, kannst Du nochmal das Bild von der Korrekturschaltung einstellen? Danke!
VG Guido
Re: Kopfhörerverstärker mit 6N6P in SRPP
Hallo, sieht ja relativ einfach aus. Gibt's noch solche Platinen und noch eine passende Teileliste? Danke.
LG
Marc
Marc
Re: Kopfhörerverstärker mit 6N6P in SRPP
Hallo, morgen erhalte ich einen Shiit Audio Valhalla 2 KHV. Bin gespannt. Behalte weiterhin den Thread im Auge. Evtl tut sich ja noch was....
LG
Marc
Marc
Re: Kopfhörerverstärker mit 6N6P in SRPP
Der Schiit ist heute gekommen.
http://www.schiit-europe.com/index.php/ ... ifier.html
Er macht einen ersten guten Eindruck. Möchte aber nicht zu sehr abschweifen da es ja kein DIY Projekt ist. Sorry. Nur eines noch: welche 6N6 ist den die beste?
http://www.schiit-europe.com/index.php/ ... ifier.html
Er macht einen ersten guten Eindruck. Möchte aber nicht zu sehr abschweifen da es ja kein DIY Projekt ist. Sorry. Nur eines noch: welche 6N6 ist den die beste?
LG
Marc
Marc
Re: Kopfhörerverstärker mit 6N6P in SRPP
Hallo zusammen,
hat jemand einen Satz Platinen über, die ermir käuflich überlassen möchte.
Danke und Grüße
Andreas
hat jemand einen Satz Platinen über, die ermir käuflich überlassen möchte.
Danke und Grüße
Andreas
- Erzkanzler
- Graue Eminenz
- Beiträge: 9889
- Registriert: Do 14. Okt 2004, 15:40
- Wohnort: Düsseldorf
Re: Kopfhörerverstärker mit 6N6P in SRPP
Hallo Guido,Thargor hat geschrieben:![]()
@Martin, kannst Du nochmal das Bild von der Korrekturschaltung einstellen? Danke!
VG Guido
sorry, hab ich nicht gesehen:

Als Schalter käme z.B. ein Lorlin 4x3 für Stereo in Frage.
LG
Martin
If music be the food of love, play on. (William Shakespeare)
- Thargor
- Inventar

- Beiträge: 6208
- Registriert: Fr 3. Dez 2004, 23:44
- Wohnort: Kleines Kaff bei Hamburch
Re: Kopfhörerverstärker mit 6N6P in SRPP
Wollte aber gerade nochmal danach fragen. Danke!!!
- pragmatiker
- Neuling

- Beiträge: 3
- Registriert: Sa 30. Dez 2006, 19:41
Re: Kopfhörerverstärker mit 6N6P in SRPP
Servus zusammen,
ich bin drüben im Hifi-Forum auf diesen Thread aufmerksam gemacht worden - und freue mich natürlich, daß es ein Entwurf von mir zur erfolgreichen praktischen Realisierung geschafft hat. Auch wenn der Thread schon etwas älter ist, möchte ich zu einem Detail Stellung nehmen:
Grüße
Herbert
ich bin drüben im Hifi-Forum auf diesen Thread aufmerksam gemacht worden - und freue mich natürlich, daß es ein Entwurf von mir zur erfolgreichen praktischen Realisierung geschafft hat. Auch wenn der Thread schon etwas älter ist, möchte ich zu einem Detail Stellung nehmen:
Der Kurzschluß des Heizungsanschlusses bei der 6N6P Version wird von Chris völlig zu recht bemängelt - das war tatsächlich ein Flüchtigkeitsfehler (den ich allerdings in meinem damaligen Post nicht mehr korrigieren werde, um nicht Sand ins Getriebe des Threads zu bringen). Die doppelt vorliegenden Heizungsanschlüsse sind allerdings kein Fehler, sondern mit meinem CAD-Programm schlicht den Modellen der Doppeltrioden geschuldet (bei denen jede Triodenhälfte einen eigenen Heizer hat) - da kommt dann sowas raus. Jedenfalls ergeben sich mit dieser (zugegebenermaßen ungewöhnlichen) Zeichnungsweise einwandfreie Netzlisten aus dem Schaltbild, die dann direkt mit einem Layoutprogramm (z.B. Eagle) "weiterverwurstet" werden können.scylla hat geschrieben:Allerdings habe ich ein Verständnisproblem was die Heizung anbelangt.
Zum einen ist der Anschluss irgendwie Quatsch, die 6,3V Heizspannung wird kurz geschlossen und die Anschlüsse 4 und 5 werden doppelt angeschlossen.
Denke hier hat der Ersteller eben einen Flüchtigkeitsfehler begangen.
Grüße
Herbert
...50[mW] ergeben bei vernünftigen Lautsprechern Zimmerlautstärke...
...mit großem Sachverstand gemachte Ausgangsübertrager sind das A und O in guten Röhrenverstärkern...
...und mikrophonieempfindliche Folienkondensatoren möcht' ich in Audioverstärkern erstmal sehen...
...mit großem Sachverstand gemachte Ausgangsübertrager sind das A und O in guten Röhrenverstärkern...
...und mikrophonieempfindliche Folienkondensatoren möcht' ich in Audioverstärkern erstmal sehen...

